
Type of Pattern
Straight / Right Angle Pattern
Product Standard
BS EN-13709
Testing Standard
BS EN 12266-Part 1
Body Material Cum Standard
Cast Carbon Steel (ASTM A216 Gr. WCB)
Product Description
Bolted Bonnet, Outside Screw & Yoke Type, Rising Stem with Backseat Arrangement, Handwheel Operated
Type of Seat
Renewable Seat
Type of Disc
Renewable Disc
Trim
13% Cr. (SS 410)
End Details
Flanged Ends as per BS EN 1092-1 PN-40 Raised Face (Drilled)
Test Pressure
Body: 60 Bar (Hyd.), Seat: 44 Bar (Hyd.)
Max. Working Temperature
400°C
Notes
Test Certificate in Form III-C as per IBR is furnished with every supply.
Water
Steam
Gas
Oil
Air
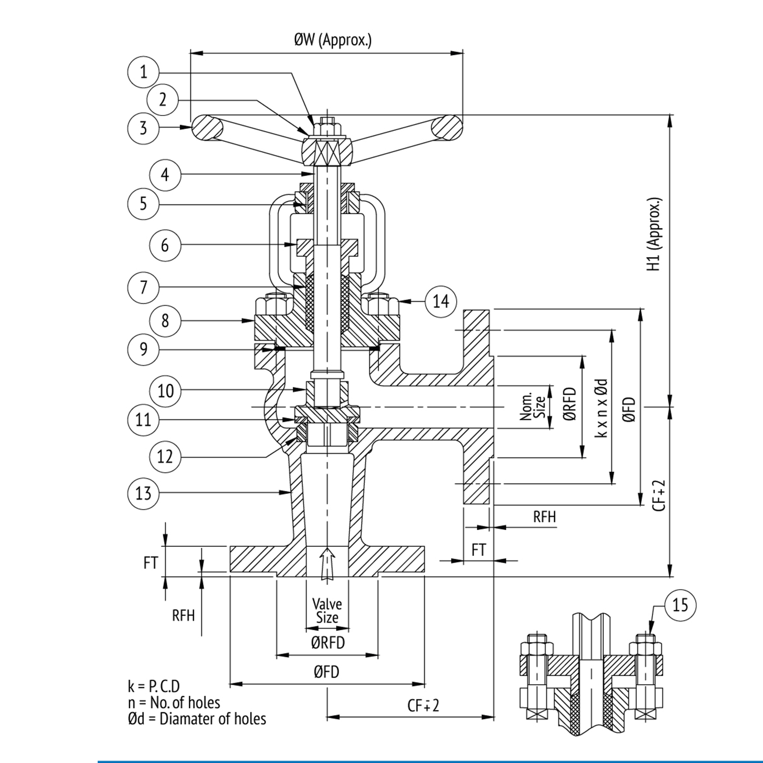
| S.No | Description | No. | Material | Specifications | 
|---|---|---|---|---|
| 1 | Nut | 1 | Carbon Steel | – | 
| 2 | Washer | 1 | Carbon Steel | – | 
| 3 | Handwheel | 1 | C.I. / M.I. | – | 
| 4 | Stem | 1 | Stainless Steel | ASTM A 276 Type 410 | 
| 5 | Yoke Bush | 1 | Al Bronze / S.S. | BS 1982 Gr. CC331G / ASTM A 582 Type 416 | 
| 6 | Gland Flange | 1 | C.C.S | ASTM A216 Gr. WCB | 
| 7 | Gland Packing | – | Graphited Asbestos | – | 
| 8 | Bonnet | 1 | C.C.S. | ASTM A 216 Gr. WCB | 
| 9 | Gasket | 1 | CAF | – | 
| 10 | Disc | 1 | S.S. / C.C.S | ASTM A276 Type 410 / ASTM A216 Gr. WCB | 
| 11 | Disc Ring | 1 | S.S. / Stainless Steel | ASTM A276 Type 410 / ASTM A217 Gr. CA15 | 
| 12 | Body Seat Ring | 1 | Stainless Steel | ASTM A276 Type 410 | 
| 13 | Body | 1 | C.C.S. | ASTM A 276 Type 410 | 
| 14 | Studs & Nuts | To Suit | Carbon Steel | – | 
| 15 | T-Head Bolts & Nuts | 2 Each | Carbon Steel | – | 
| Size (mm) | FF | CF | H1 | ØW | ØFD | ØRFD | RFH | 
|---|---|---|---|---|---|---|---|
| 25 | 160 | 100 | 210 | 160 | 115 | 68 | 2 | 
| 32 | 180 | 105 | 245 | 160 | 140 | 78 | 2 | 
| 40 | 200 | 115 | 275 | 200 | 150 | 88 | 3 | 
| 50 | 230 | 125 | 275 | 200 | 165 | 102 | 3 | 
| 65 | 290 | 145 | 305 | 250 | 185 | 122 | 3 | 
| 80 | 310 | 155 | 305 | 250 | 200 | 138 | 3 | 
| 100 | 350 | 175 | 360 | 315 | 235 | 162 | 3 | 
| 125 | 400 | 200 | 410 | 315 | 270 | 188 | 3 | 
| 150 | 480 | 225 | 505 | 400 | 300 | 218 | 3 | 
 
        Type of Pattern
Straight / Right Angle Pattern
Product Standard
BS EN-13709
Testing Standard
BS EN 12266-Part 1
Body Material Cum Standard
Cast Carbon Steel (ASTM A216 Gr. WCB)
Product Description
Bolted Bonnet, Outside Screw & Yoke Type, Rising Stem with Backseat Arrangement, Handwheel Operated
Type of Seat
Renewable Seat
Type of Disc
Renewable Disc
Trim
13% Cr. (SS 410)
End Details
Flanged Ends as per BS EN 1092-1 PN-40 Raised Face (Drilled)
Test Pressure
Body: 60 Bar (Hyd.), Seat: 44 Bar (Hyd.)
Max. Working Temperature
400°C
Notes
Test Certificate in Form III-C as per IBR is furnished with every supply.
Water
Steam
Gas
Oil
Air
 
        | S.No | Description | No. | Material | Specifications | 
|---|---|---|---|---|
| 1 | Nut | 1 | Carbon Steel | – | 
| 2 | Washer | 1 | Carbon Steel | – | 
| 3 | Handwheel | 1 | C.I. / M.I. | – | 
| 4 | Stem | 1 | Stainless Steel | ASTM A 276 Type 410 | 
| 5 | Yoke Bush | 1 | Al Bronze / S.S. | BS 1982 Gr. CC331G / ASTM A 582 Type 416 | 
| 6 | Gland Flange | 1 | C.C.S | ASTM A216 Gr. WCB | 
| 7 | Gland Packing | – | Graphited Asbestos | – | 
| 8 | Bonnet | 1 | C.C.S. | ASTM A 216 Gr. WCB | 
| 9 | Gasket | 1 | CAF | – | 
| 10 | Disc | 1 | S.S. / C.C.S | ASTM A276 Type 410 / ASTM A216 Gr. WCB | 
| 11 | Disc Ring | 1 | S.S. / Stainless Steel | ASTM A276 Type 410 / ASTM A217 Gr. CA15 | 
| 12 | Body Seat Ring | 1 | Stainless Steel | ASTM A276 Type 410 | 
| 13 | Body | 1 | C.C.S. | ASTM A 276 Type 410 | 
| 14 | Studs & Nuts | To Suit | Carbon Steel | – | 
| 15 | T-Head Bolts & Nuts | 2 Each | Carbon Steel | – | 
 
        | Size (mm) | FF | CF | H1 | ØW | ØFD | ØRFD | RFH | 
|---|---|---|---|---|---|---|---|
| 25 | 160 | 100 | 210 | 160 | 115 | 68 | 2 | 
| 32 | 180 | 105 | 245 | 160 | 140 | 78 | 2 | 
| 40 | 200 | 115 | 275 | 200 | 150 | 88 | 3 | 
| 50 | 230 | 125 | 275 | 200 | 165 | 102 | 3 | 
| 65 | 290 | 145 | 305 | 250 | 185 | 122 | 3 | 
| 80 | 310 | 155 | 305 | 250 | 200 | 138 | 3 | 
| 100 | 350 | 175 | 360 | 315 | 235 | 162 | 3 | 
| 125 | 400 | 200 | 410 | 315 | 270 | 188 | 3 | 
| 150 | 480 | 225 | 505 | 400 | 300 | 218 | 3 | 
Flanged
All Rights Reserved. Atam Valves Limited