AV-227 Bronze Vertical Non-Return Valve, Screwed EndsIBR Approved


  • AV-227 | Bronze Vertical Non-Return Valve, Screwed Ends
    Features

    Body Material Cum Standard

    Bronze (IBR 282 (a) (iv) Gr. B)

    Product Description

    Screwed in Cover, Guided Disc

    Type of Seat

    Renewable Seat

    Type of Disc

    Renewable Disc

    Trim

    13% Cr. (SS 410)

    End Details

    Screwed Female BSP Taper Threads (BS-21)

    Test Pressure

    Body: 500 Psig (Hyd.)

    Max. Working Pressure

    250 Psig (Steam)

    Max. Working Temperature

    225°C

    Notes

    Test Certificate in Form III-C as per IBR is furnished with every supply.


    Suitability

    Water

    Steam

    Gas

    Oil

    Air


  • Material Combination
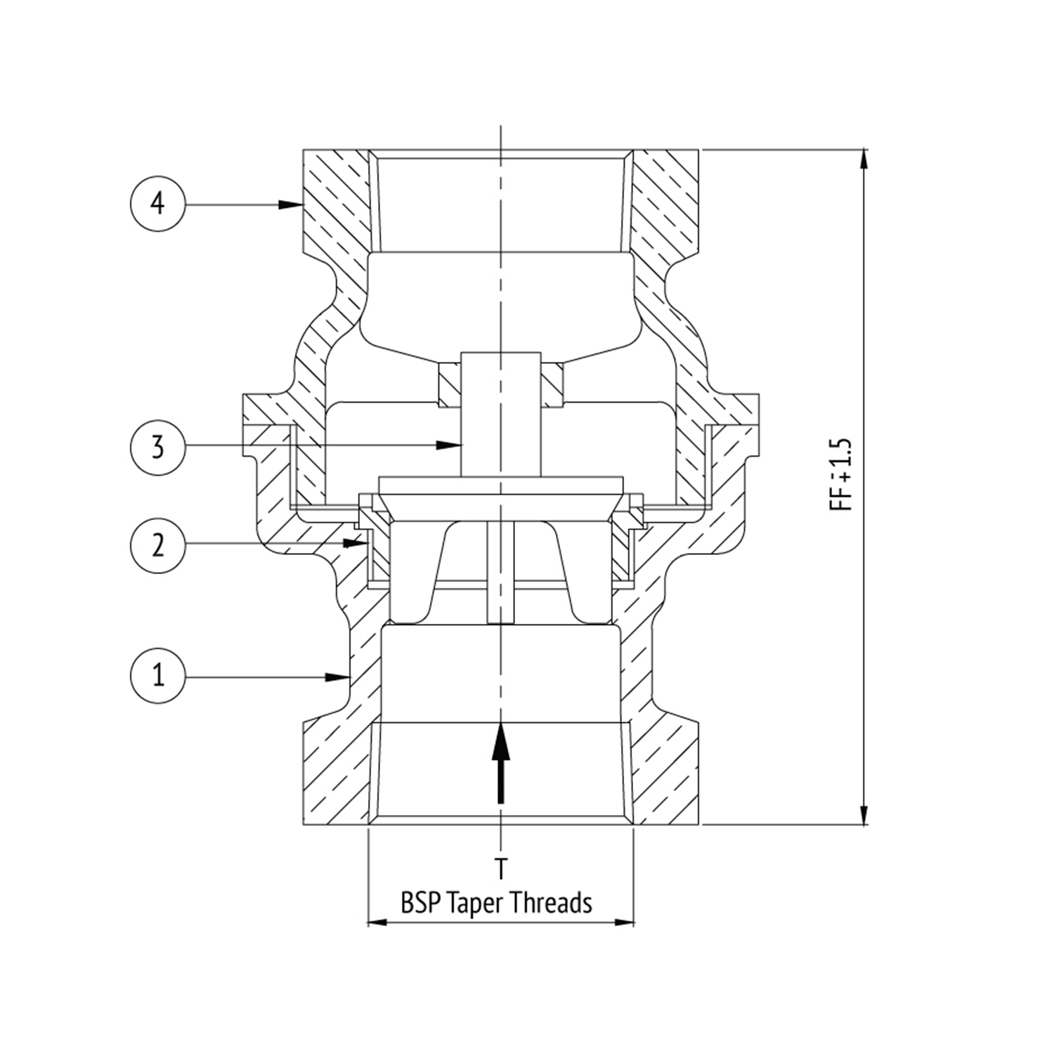
    S.No Description No. Material Specifications
    1 Inlet Body 1 Bronze IBR 282 (a) (iv) Gr. B / BS EN 1982 Gr. CC491K
    2 Body Seat Ring 1 Stainless Steel ASTM A 276 Type 410
    3 Disc 1 Stainless Steel ASTM A 276 Type 410
    4 Outlet Body 1 Bronze IBR 282 (a) (iv) Gr. B / BS EN 1982 Gr. CC491K
    AV-227 | Bronze Vertical Non-Return Valve, Screwed Ends
  • Dimensional Data
    Size (mm) FF T
    15 73 1/2”
    20 83 3/4”
    25 97 1”
    32 120 1.1/4”
    40 127 1.1/2”
    50 157 2”
  • AV-227 | Bronze Vertical Non-Return Valve, Screwed Ends
    Product Inquiry
Features

Body Material Cum Standard

Bronze (IBR 282 (a) (iv) Gr. B)

Product Description

Screwed in Cover, Guided Disc

Type of Seat

Renewable Seat

Type of Disc

Renewable Disc

Trim

13% Cr. (SS 410)

End Details

Screwed Female BSP Taper Threads (BS-21)

Test Pressure

Body: 500 Psig (Hyd.)

Max. Working Pressure

250 Psig (Steam)

Max. Working Temperature

225°C

Notes

Test Certificate in Form III-C as per IBR is furnished with every supply.

Download PDF

Suitability

Water

Steam

Gas

Oil

Air


Material Combination
S.No Description No. Material Specifications
1 Inlet Body 1 Bronze IBR 282 (a) (iv) Gr. B / BS EN 1982 Gr. CC491K
2 Body Seat Ring 1 Stainless Steel ASTM A 276 Type 410
3 Disc 1 Stainless Steel ASTM A 276 Type 410
4 Outlet Body 1 Bronze IBR 282 (a) (iv) Gr. B / BS EN 1982 Gr. CC491K
Dimensional Data
Size (mm) FF T
15 73 1/2”
20 83 3/4”
25 97 1”
32 120 1.1/4”
40 127 1.1/2”
50 157 2”

Selected Product

AV-227 Bronze Vertical Non-Return Valve, Screwed Ends

Enter Product Query

Products (By End Connection)

Screwed

Site Credits : Seigospace